Замок накладной ЭЛЬБОР 1.06.51 МА Ст.\Медь
Характеристики товара
Код товара в 1С:
00-00001612
Единица измерения:
шт
3 265,00
руб.
ТЕХНИЧЕСКИЕ ХАРАКТЕРИСТИКИ
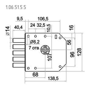
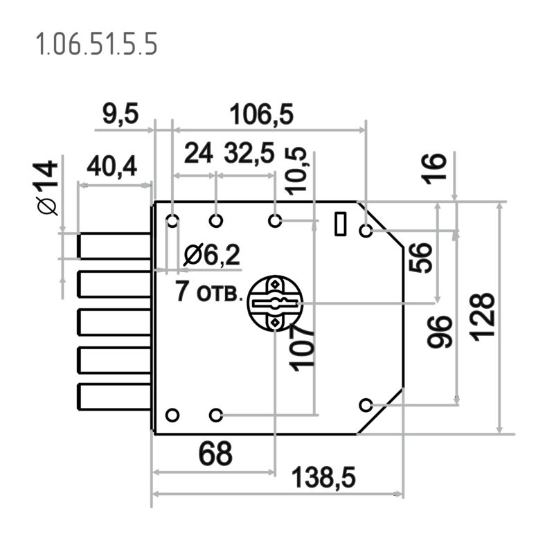
Накладной гаражный замок Эльбор 1.06.51.5.5. Сувальдный механизм секретности с двойной бородкой. Запирается на 5 круглых ригелей с вылетом 40,4мм. Бэксет 68мм. В комплекте к замку идут 5 стальных сувальдных ключей с пластиковой головкой. Ключевое отверстие на корпусе замка закрыто пластиковой шторкой.
Тип изделия Накладной замок без ручек
Автоматическое запирание Нет
Механизм секретности Сувальдный с двойной бородкой
Дополнительное запирание Нет
Ответная планка Не комплектуется
Производство Россия
Гарантия 1 год





